
井水流量計
- 品*:JKM/凱銘儀表
- 型號:JKM-LDE
- 測量范圍:0.028~205258m3/h
- 精度等級:0.5級、1.0級
- 公稱通徑:DN10~DN2200
- 適用介質:污水、導電液體
- 工作壓力:1.6~6.3MPa
- 工作溫度:-20~+200℃
- 供電方式:220V 24V 鋰電池
- 訂貨號:FMXQCCOXR325
井水流量計產品概述
電磁流量計在測量過程中,它不受被測介質的溫度、粘度、密度以電導率(在一定范圍)的影響。因此,流量計只需經水標定后,就可心用來測量其它導電性液體的流量。流量計的輸出只與被測介質的平均流速成正比,而與對稱分布下的流動狀態(層流或湍流)無關 常會在傳感器內壁積聚附著層而產生故障。這些故障往往是由于附著層的電導率太大或太小造成的。若附著物為絕緣層,則電極回路將出現斷路,儀表不能正常工作;若附著層電導率顯著高于流體電導率,則電極回路將出現短路,儀表也不能正常工作。所以,應及時清除流量計測量管內的附著結垢層。
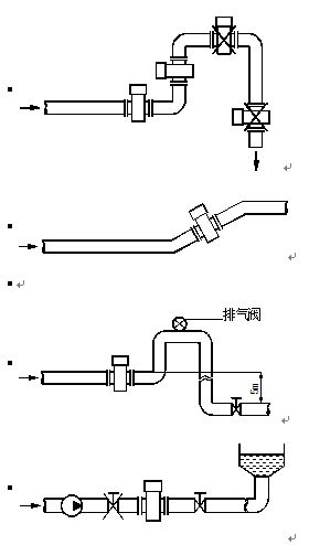
電磁流量計只能測量導電液體流量,而氣體、油類和絕大多數有機物液體不在一般導電液體之例硝酸銀電磁流量計后者容易引起流量波動比較大。安裝除了滿管以外,這點也是很重要的,其次就是前后直管道的距離了。
選擇便于維修,活動方便的地方。流量計應安裝在水泵后端,決不能在抽吸側安裝;閥門應安裝在流量下游側。
轉換器:由液體流動產生的感應電勢信號十分微弱,受各種干擾因素的影響很大,轉換器的作用就是將感應電勢信號放大并轉換成統一的標準信號并抑制主要的干擾信號。其任務是把電極檢測到的感應電勢信號Ex經放大轉換成統一的標準直流信號。

井水流量計的測量原理
根據法拉*電磁感應定律,當一導體在磁場中運動切割磁力線時,在導體的兩端將產生感應電動勢e,其方向由右手定則確定,其大小與磁場的磁感應強度B,導體在磁場內的有效長度L及導體 垂直于磁場的運動速度u成正比。如果B、L、u三者互相垂直,則
e=BLu
與此相似,如果在磁感應強度為B的均勻磁場中,垂直于磁場方向放一個內徑為D的不導磁管道,當導電液體在管道中以流速u運動時,導電液體就切割磁力線,如果在管道截面上垂直于磁場的 直徑兩側安裝一對電極(如圖所示)

,則可以證明,只要管道內流速分布為與軸對稱分布,則兩電極間將產生感生電勢
e=κBDū
式中,ū是管道截面上的平均流速(m/s);κ是常系數,無量綱;D是測量管直徑(m);B是磁感應強度(T)。
由此可得通過管道的體積流量

由上式可知,當測量管結構一定時,體積流量qν與比值e/B成正比,面與流體的狀態和物性參數無關,測量比值e/B即可得到體積流量值qν。當磁感應強度B為恒定值時,體積流量qν與感生 電勢e成正比。B是直流磁場或正弦波交流磁場或其它類型磁場的磁感應強度。它由電磁流量計的勵磁系統提供。勵磁系統可以給電磁流量傳感器提供多種形式的磁場波形。不同的磁場波形,直接決定了電磁流量傳感器工作磁場的特征,也基本上決定了電磁流量計流量信號的處理方法,對電磁流量計的工作性能有很大的影響。所以,自電磁流量計進入商用化以來,勵磁方式始終是人們研究電磁流量計的熱點問題。從電磁流量計開始應用的直流勵磁到現在雙頻方波勵磁,已使用過多種方式的勵磁技術。
井水流量計的主要技術數據
1、公稱通徑:DN6-2200mm
2、公稱壓力:0.6、1.0、1.6、2.5、4.0MPa(高壓可根據用戶要求加工)
3、精度:±0.2% ±0.5%(示值誤差)
4、測量范圍(流量):0-1m/s至0-10m/s
5、介質溫度:分體型-10℃~+80℃(PTFE和F46襯里-40℃~+180℃) 一體型-10℃~+80℃
6、環境溫度:-25℃~+60℃
7、環境濕度:5~100%RH(相對濕度)
8、介質電導率:大于20μS/cm
9、安裝:一體型、分體型
10、外殼防護等級:傳感器IP65、IP68可選(IP65:塵密、防噴水型,即可允許水龍頭 從任何方向對儀表噴水;IP68:塵密、潛水型,能長期在水中工作)轉換器IP65
11、電極結構:三電極結構、刮刀電極結構
12、被測介質*高溫度:氯丁橡膠襯里*高80℃,聚氨脂襯里*高80℃,聚四氟乙烯襯里*高180℃, 耐高溫橡膠襯里*高120℃
13、傳感器輸出信號:0-0.2mVp-p至0-2mVp-p
14、電極材料:不銹鋼OCrl8Nil2Mo2Ti、哈氏合金B、C、鈦Ti、鉭(Ta)、不銹鋼涂覆碳化鎢、特殊
15、防爆標志:ExmⅡT4,ExmdⅡBT4
井水流量計公稱通徑、流量對照表

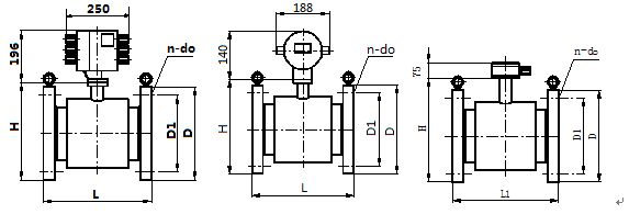
井水流量計外形及連接尺寸外形及連接尺寸


常用規格井水流量計外形尺寸和法蘭連接尺寸


井水流量計公稱通徑、流量對照表

井水流量計外形及連接尺寸外形及連接尺寸


常用規格井水流量計外形尺寸和法蘭連接尺寸


井水流量計安裝方式
應安裝在水平管道較低處和垂直向上處,避免安裝在管道的*高點和垂直向下處。




上一篇:注水流量計|高壓電磁式
下一篇:氨水流量計|防腐電磁式


